Membre de l'Association des Designers Industriels du Québec (ADIQ)
AU MOMENT DE FABRIQUER UN PRODUIT, IL EST D’USAGE D’UTILISER LE DESSIN POUR TRANSMETTRE LES SPÉCIFICATIONS. MÊME EN FABRIQUANT SOI-MÊME CE QU’ON A EN TÊTE, PLUS LA PIÈCE EST COMPLEXE, PLUS GRANDS SONT LES RISQUES D'ERREURS. MAIS QUAND ON DÉLÈGUE LA FABRICATION À UN TIERS, IL DEVIENT ESSENTIEL DE TRANSMETTRE TOUTE L’INFORMATION EN NE LAISSANT PAS PLACE À L’INTERPRÉTATION OU À DES OPTIONS. SELON LA LOI DE MURPHEY, S’IL Y A UNE POSSIBILITÉ DE FAIRE DE LA MAUVAISE FAÇON, LES CHANCES SONT GRANDES QUE CE SOIT CE QUI VA SE PASSER.
LE RÔLE PREMIER DU CAHIER DES CHARGES EST DE RASSEMBLER TOUTES LES INFORMATIONS SUR TOUS LES ÉLÉMENTS EN UN MÊME ENDROIT DE MANIÈRE À S’ASSURER DE LEUR CONCORDANCE AVANT D’AMORCER LA PRODUCTION. C'EST NI PLUS NI MOINS LE « LIVRE DE RECETTES ». IL EST AUSSI TRÈS UTILE LORSQU'IL S'AGIT D'ALLER EN SOUMISSION. ÇA AIDE À OBTENIR UN PRIX JUSTE ET UN RÉSULTAT SELON LES ATTENTES.
SELON LE TYPE DE PROJET, LES INFORMATIONS QU’ON PEUT RETROUVER DANS UN CAHIER DES CHARGES PEUVENT VARIER. DANS UN CAS, L'ACCENT EST MIS SUR CECI ET POUR UN AUTRE PROJET LA PRIORITÉ EST AILLEURS. JE PRÉSENTE ICI TROIS EXEMPLES DE CAHIER:
CAHIER DES CHARGES
AU MOMENT DE FABRIQUER UN PRODUIT, IL EST D’USAGE D’UTILISER LE DESSIN POUR TRANSMETTRE LES SPÉCIFICATIONS. MÊME EN FABRIQUANT SOI-MÊME CE QU’ON A EN TÊTE, PLUS LA PIÈCE EST COMPLEXE, PLUS GRANDS SONT LES RISQUES D'ERREURS. MAIS QUAND ON DÉLÈGUE LA FABRICATION À UN TIERS, IL DEVIENT ESSENTIEL DE TRANSMETTRE TOUTE L’INFORMATION EN NE LAISSANT PAS PLACE À L’INTERPRÉTATION OU À DES OPTIONS. SELON LA LOI DE MURPHEY, S’IL Y A UNE POSSIBILITÉ DE FAIRE DE LA MAUVAISE FAÇON, LES CHANCES SONT GRANDES QUE CE SOIT CE QUI VA SE PASSER.
LE RÔLE PREMIER DU CAHIER DES CHARGES EST DE RASSEMBLER TOUTES LES INFORMATIONS SUR TOUS LES ÉLÉMENTS EN UN MÊME ENDROIT DE MANIÈRE À S’ASSURER DE LEUR CONCORDANCE AVANT D’AMORCER LA PRODUCTION. C'EST NI PLUS NI MOINS LE « LIVRE DE RECETTES ». IL EST AUSSI TRÈS UTILE LORSQU'IL S'AGIT D'ALLER EN SOUMISSION. ÇA AIDE À OBTENIR UN PRIX JUSTE ET UN RÉSULTAT SELON LES ATTENTES.
SELON LE TYPE DE PROJET, LES INFORMATIONS QU’ON PEUT RETROUVER DANS UN CAHIER DES CHARGES PEUVENT VARIER. DANS UN CAS, L'ACCENT EST MIS SUR CECI ET POUR UN AUTRE PROJET LA PRIORITÉ EST AILLEURS. JE PRÉSENTE ICI TROIS EXEMPLES DE CAHIER:
SYSTÈME DE HAUTE PRÉCISION
STRUCTURE D'ACIER PRÉFABRIQUÉE
STRUCTURE GONFLABLE
Système de haute précision
Dans le cas de l’inventeur Alex Amyot, ce sont des appareils de très haute précision. La simple épaisseur de l’anodisation est critique pour certaines pièces et on parle ici de microns. Maintenant, quand on multiplie le problème par vingt pièces hétéroclites à multiples trous, on peut aisément imaginer l’importance d’un cahier des charges. Avant d’arriver au produit final, de nombreux ajustements sont nécessaires et c’est par le cahier des charges qu’on assure la mise-à-jour.
Tel qu’explicité au volet modélisation 3D, je suis d’avis que pour communiquer une image, il n’y a pas mieux que l’image elle-même. Particulièrement dans le cas d’une pièce complexe à usiner, l’imagerie 3D vient s’ajouter aux dessins techniques pour favoriser la compréhension du travail à faire. Même les dessins techniques peuvent être plus intelligibles en jouant avec des teintes pour simuler des profondeurs, notamment.
Un dessin technique de style Autocad, c’est-à-dire juste en lignes où les cotes se confondent avec la pièce, demande à l’interlocuteur de faire l’effort de décoder un paquet de lignes confuses pour finir par se faire une image mentale. Personnellement, je trouve plus rassurant de fournir une image contrôlée et de laisser aux dessins techniques le soin de fournir les indications et les cotes.
Compte tenu de la complexité des pièces, le cahier est amplement illustré. Ici, en plus des vues inversées, la transparence s'avérait préférable à une coupe. Une fois qu'on a compris la forme, il devient plus facile de lire le dessin technique.
Ci-contre, l'exemple d'une pièce qui demande beaucoup d'informations. Pour être intelligible, il a fallu faire une page équivalente pour l'autre côté de la pièce.
Outre les pages de dessins, le cahier fourni d’autres renseignements pertinents dans ce cas, comme le volume et surtout la surface à anodiser dans un tableau synthèse. Normalement, un fichier numérique 3D est fourni pour chaque pièce.
Quand il s'agit d'un système à multiples composantes dont chacune pourrait être modifiée, il est utile de maintenir un répertoire à jour. Ici, le type de matériau, la surface et le volume constituent des informations pertinentes, particulièrement en regard de l'anodisation.
Ci-haut, en plus des vues inversées, c'est davantage une coupe 3D qui complétait le mieux les illustrations de la pièce dans le but de bien la visualiser.
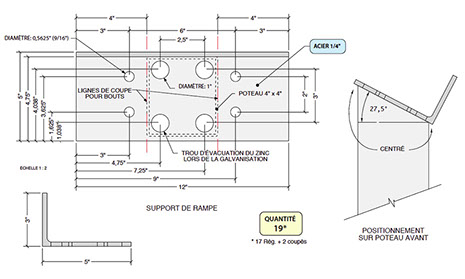
Structure d'acier préfabriquée
Le degré de précision d'une telle structure est certes moins important que dans le cas précédent, mais si l'écart prévu entre deux trous est de 5", à 5 1/8" ça commence à forcer, c'est même beaucoup. Alors, pour la partie du cahier s'adressant à l'atelier de fabrication, une attention particulière a été portée sur la clarté des indications pour le positionnement des trous. C'est facile de se tromper et il y a très peu de tolérance.
Le cahier des charges de cette structure s'adressait à la fois à l'ingénieur qui devait approuver les plans, à l'atelier de métal pour la fabrication des pièces et aux ouvriers de chantier pour l'assemblage. Une table des matières s'imposait pour que chacun s'y retrouve.
Les dessins techniques de chaque pièce était généralement accompagnés d'illustrations 3D.
Structure gonflable
Dans le cas des structures gonflables, le simple fait de travailler avec des matériaux souples, en fait une classe à part. Un gonflable répond à certaines lois de la physique et il va chercher à occuper le plus grand volume disponible en fonction de la géométrie de la membrane. Ce n'est qu'au moment du gonflement qu'on verra si une erreur a été commise et ce n'est pas toujours possible d'apporter un correctif sur le site. On n'a donc pas le droit à l'erreur en ce domaine.
Il faut dire que l'arrivée des ordinateurs et des logiciels de modélisation 3D ont grandement simplifié la procédure et réduit les risques d'erreurs de géométrie. Encore faut-il que la forme souhaitée soit conforme aux lois du gonflable. Une autre grande avancée a été celle des tables de coupe à commandes numériques et surtout lorsque la table permet aussi d'écrire.
Il y a beaucoup de détails à différents endroits et dans bien des cas, un marquage préalable est nécessaire et plusieurs opérations entre dans la préparation de la pièce avant son assemblage final. De plus, ce qui est fait sur une pièce doit très souvent correspondre avec une autre pièce. Il peut y avoir plusieurs pièces semblables, mais pas toujours identiques.
Le cahier des charges d'une structure gonflable doit d'abord donner une vue d'ensemble de la tâche à accomplir, puis de la décortiquer selon une certaine hiérarchie. Il comprend aussi toutes les infos permettant dans un premier temps de tracer la pièce et d'y indiquer des références. Il va de soit qu'avec les tables numériques, c'est moins utile. On s'en sert surtout pour la vérification en cas de doute. Rien ne ressemble plus à un gros tas de toile qu'un autre gros tas de toile.
Quelques pages tirées du cahier de charges qui en compte 59 juste pour la membrane.
La vue d'ensemble est la base pour se situer dans le projet. Dans ce cas-ci, étant donné la grosseur du dôme (195' Ø), il était préférable de se limiter à la voilure sans les détails d'ouvertures.
CAHIER DES CHARGES
438-808-5121
robert@cdesign.ca